MIE CL100 Series Energy Feedback Unit

Introduction:
MIE CL100 Series feedback unit adopts advanced control algorithms, which have the characteristics of high efficiency, high power factor, and low harmonic interference. Applied in situations where electric energy regeneration and high requirements for harmonic and energy conservation and emission reduction are required during variable frequency speed regulation. The feedback unit ensures effective bra-king of variable frequency speed regulation while returning more than 97% of renewable energy to the power grid, achieving the goal of energy conservation and emission reduction.
Product Features


Technical Details

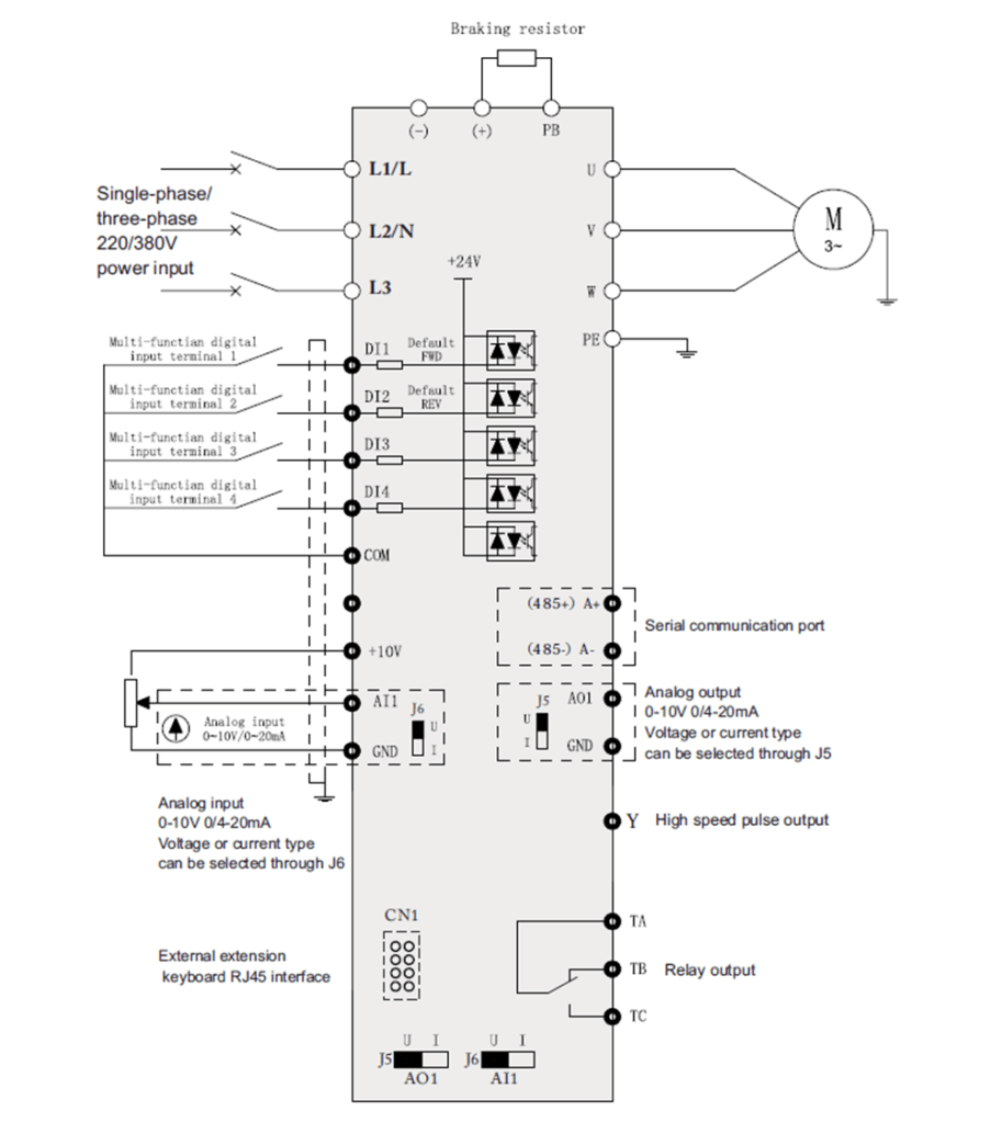
Basic Wiring Diagram

